ARC MAG - Instalatii electrice si masuratori pram

ARC MAG - Instalatii electrice si masuratori pram
Vizitati ARC MAG!! APASA!!
 

Info electric Info electric Author
Title: Pornirea si inversarea sensului de rotatie a motorului asincron cu rotorul în scurtcircuit
Author: Info electric
Rating 5 of 5 Des:
 Pornirea si inversarea sensului de rotatie a motorului asincron cu rotorul în scurtcircuit 1 .       Competente: ð              elab...
 Pornirea si inversarea sensului de rotatie a motorului asincron cu rotorul în scurtcircuit
1.       Competente:
ð            elaborarea schemei electrice de forta si comanda pentru pornirea si inversarea sensului de rotatie a unui motor asincron trifazat cu rotorul în scurtcircuit;
ð            precizarea rolului aparatelor din schema;
ð            realizarea montajului conform schemei electrice elaborate;
ð            respectarea normelor de igiena si protectia muncii în timpul executarii montajului.
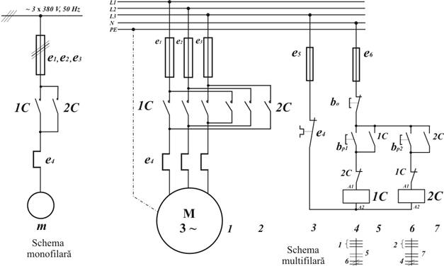
2.        Nomenclatorul aparatelor:
e1, e2, e3, e5, e6 - sigurante fuzibile;
1C2C - contactoare;
e4 - bloc relee termice;
bp1, bp2 - butoane de pornire;
bo - buton oprire.
3.     Schema de lucru:
OT97
Figura 3.6. Schema electrica de forta si comanda pentru pornirea si inversarea sensului de rotatie a unui motor asincron trifazat cu rotorul în scurtcircuit
4.    Mod de lucru:
Schema electrica are 7 circuite, doua de forta (1 si 2) si cinci de comanda.
         Pornirea în sens direct.  Se actioneaza butonul bp1 (4). Prin alimentarea bobinei contactorului 1C (4), contactorul 1C îsi va închide c.n.d. din circuitul principal 1, alimentând motorul. Automentinerea se realizeaza cu ajutorul c.n.d (5). În  momentul actionarii contactorului 1C, pentru a proteja eventuala comanda accidentala a butonului bp2, c.n.i (6) se va deschide, întrerupând alimentarea bobinei contactorului 2C.
Oprirea se face actionând butonul bo, buton aflat în circuitul 4.
Pornirea în sens invers. Se actioneaza butonul bp2 (6). Prin alimentarea bobinei contactorului 2C (4), contactorul 2C îsi va închide c.n.d. din circuitul principal 2, alimentând motorul. Automentinerea se realizeaza cu ajutorul c.n.d (7). În  momentul actionarii contactorului 2C, pentru a proteja eventuala comanda accidentala a butonului bp1, c.n.i (4) se va deschide, întrerupând alimentarea bobinei contactorului 1C.

About Author

Advertisement

Trimiteți un comentariu

Site-ul tau preferat!

 
Top