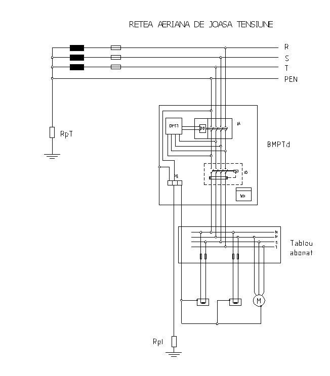
Schema electrica de montaj BMPTd varianta 1– sistem TT

Nota:
incintele metalice se vor lega la masa prin intermediul bornei interioare;
LEGENDA :
USOL - intreruptor automat
ID - intreruptor diferential
DPST - modul voltmetric
Schema electrica de montaj a BMPTd varianta 2– sistem TT

![]() |
ANEXA 4
Schema electrica de montaj a BMPTd – sistem TN

![]() |


Trimiteți un comentariu
Site-ul tau preferat!