1 Transformatoarele de masurare
Sunt destinate extinderii limitelor de masurare pentru curenti, tensiuni si alte marimi electrice, prezentând o serie de avantaje în utilizare cum ar fi:
protectia personalului si a aparatelor de masurare fata de tensiunile înalte ale retelelor în cae se fac masurari (prin izolare galvanica si conectarea unei borne secundare la pamânt);
posibilitatea standardizarii valorilor nominale din secundar: 5A(1A) pentru curenti si 100V (100/
V) pentru circuitele de tensiune.
Datorita specificului functionarii, regimurile normale de functionare ale celor doua tipuri de transformatoare de masurare sunt diferite.
2 Transformatoarele de masurare de curent
Sunt conectate în serie în circuitul al carui curent trebuie masurat.
În secundar sunt conectate aparate cu impedanta mica (ampermetre, bobine de curent ale wattmetrelor si contoarelor etc.); de aceea regimul nominal de functionare al transformatorului de masurare de curent este cu secundarul în scurtcircuit.
În acest caz solenatia secundara este de semn contrar solenatiei primare, diferenta fiind foarte mica, necesara întretinerii fluxului în miez.
Daca, accidental, se deschide circuitul secundar, solenatia secundara se anuleaza, iar cea primara va magnetiza puternic miezul pâna la saturatiei.
Miezul magnetic se va încalzi puternic datorita pierderilor mari în fier si cresterea fluxului va da nastere, în secundar, unor tensiuni induse mari (kV) periculoase pentru operator si capabile de a produce strapungerea izolatiei.
Regimul de mers în gol este deci, regim de avarie pentru transformatorul de masurare de curent si protectia se face prin scurtcircuitoare prevazute pe bornele secundare. Nu se pun sigurante fuzibile!
2.1.2. Transformatoarele de masurare de tensiune
Sunt conectate în paralel la retea. Ele sunt dimensionate sa alimenteze în secundar aparate de masurare cu impedanta ridicata (voltmetre, bobine de tensiune ale wattmetrelor etc.), deci regimul nominal de functionare este regimul de mers în gol.
În cazul unor scurtcircuite accidentale în secundar, tensiunea secundara ramâne constanta curentii tind sa ia valori mari, bobinele se încalzesc puternic si izolatia se arde producând chiar explozii daca transformatorul este cu izolatie în ulei.
Regimul de avarie la transformatorul de masurare de tensiune este regimul de scurtcircuit si protectia se face cu sigurante prevazute si pe primar si pe secundar.
2.2. Caracteristicile principale ale transformatoarelor de masurare
Transformatoarele de masurare se aleg în functie de domeniile de masurare primare, de tensiunea nominala de lucru a primarului, de clasa de exactitate si puterea lor nominala.
Pentru utilizare intereseaza raportul nominal de transformare:
Raporturile reale de transformare sunt diferite de cele nominale datorita erorilor de raport, care depind de clasa de exactitate a transformatoarelor de masurare:
De asemenea, curentii si tensiunile secundare nu sunt exact în faza cu curentii si tensiunile primare datorita erorilor de unghi I si U introduse de transformatoarele de masurare.
Aceste erori trebuie luate în consideratie la calculul erorilor de masurare în montaje indirecte si a unor marimi (U, I, P, W, cos ).
2.3. Determinarea marimilor din retea pe baza valorilor citite în secundar.
La determinarea marimilor din circuitul primar se folosesc relatiile:
Factorul de putere (cos) mai poate fi determinat în practica si indirect:
din indicatia wattmetrelor (în cazul circuitelor trifazate simetrice si cu curenti echilibrati):
(16.10)
din indicatia contoarelor, pe o durata data (o zi, o saptamâna, etc.):
Cu ajutorul contoarelor de energie activa si reactiva se mai poate determina si o valoare medie a factorului de putere pe o perioada scurta, prin numararea rotatiilor celor doua contoare pe perioada data:
Indicii se refera la: a - contor de energie activa, TCA 32;
r - contor de energie reactiva, TCR 32.
Datorita complexitatii circuitelor secundare de curenti si tensiuni se pot produce erori de montaj care afecteaza, în special, înregistrarea corecta a energiei electrice consumate. De aceea, se vor studia erorile de masurare ale unui contor TCA32 conectat corect sau cu diferite greseli de montaj.

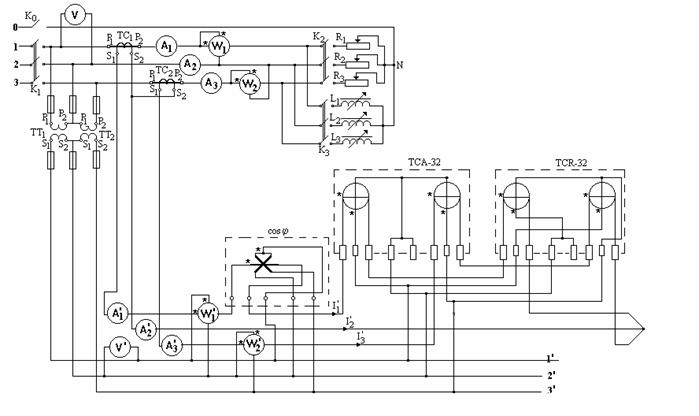
Fig. 16.1 Schema de montaj pentru masurarea puterilor si energiilor pe cale indirecta, într-o retea
trifazata fara conductor neutru
3. Chestiuni de studiat
3.1. Conectarea transformatoarelor de masurare de curent si de tensiune în circuite trifazate fara conductor neutru pentru realizarea schemelor sistematizate (fig. 16.1).
3.2. Masurarea curentilor, tensiunilor, puterilor si energiei electrice în montaj indirect.
3.3. Masurarea factorului de putere.
3.4. Studiul erorilor de masurare aparute prin conectarea gresita a contorului de energie activa TCA 32.
3.5. Cunoasterea unor contoare trifazate prevazute cu functii speciale:
cu generator de impulsuri încorporat;
cu dublu tarif;
cu indicator e putere maxima.
3.6. Studiul unui sistem informatizat pentru masurarea si gestionarea puterii si energiei electrice.
4.Modul de experimentare
4.1. Schema de montaj si aparatele utilizate
Se va realiza practic montajul din fig.16.1. în care:
TC1, TC2 -transformatoare de masurare de curent;(10A/5A)
TT1, TT2 -transformatoare de masurare de tensiune;(200V/100V)
W1, W2, -wattmetre electrodinamice monofazate;
A1, A2, A3 -ampermetre feromagnetice
V, V' -voltmetre feromagnetice (130V, 260V)
TCA 32 -contor trifazat pentru energie activa 3x100V; 3x5A;
TCR 32 -contor trifazat pentru energie reactiva 3x100V; 3x5A;
R1, R2, R3 -reostate cu doi cilindri; (100 / 5A)
L1, L2, L3 -bobine de inductanta variabila.
4.2. Desfasurarea lucrarii
Determinarile experimentale se vor efectua conform indicatiilor din tabelul16.1.
Pentru punctele 3.4 se studiaza sistemul informatizat EGOPEC-30.
Datele citite si calculate se vor trece în tabelele 16.2 si 16.3 (pentru calcule se va utiliza setul de relatii (16.13).
(16.13)
Tabelul 16.1
Nr.
crt.
|
Tip
receptor
|
Curenti
|
Determinarea
cos
|
Defecte la
TCA 32
|
1.
|
R
|
neechilibrati
|
-
|
-
|
2.
|
R, L
|
neechilibrati
|
-
|
-
|
3.
|
R
|
echilibrati
|
da
|
montaj corect
U2 -întrerupta
I1 -inversat
|
4.
|
R, L, =30°
|
echilibrati
|
da
|
montaj corect
U2 -întrerupta
I1 -inversat
|
5.
|
R, L, =45°
|
echilibrati
|
da
|
montaj corect
U2 -întrerupta
I1 -inversat
|
6.
|
R, L, =60°
|
echilibrati
|
da
|
montaj corect
U2 -întrerupta
I1 -inversat
|
Tabelul 16.2
Nr.
crt.
|
Circuit primar
|
Circuit secundar
| ||||||||||||||||
U12
|
I1
|
I2
|
I3
|
P1
|
P2
|
P =
P1+P2
|
U'12
|
I'1
|
I'2
|
I'3
|
P'1
|
P'3
|
P'
|
Q'
|
cos
| |||
-
|
V
|
A
|
A
|
A
|
W
|
W
|
W
|
V
|
A
|
A
|
A
|
W
|
W
|
W
|
var
|
-
| ||
Tabelul 16.3
Nr.
crt.
|
Date contor TCA 32
|
TCR 32
|
Factor de putere
| |||||
n
|
t
|
T
|
Wa
|
Wr
|
cos
(cu wattmetre)
|
cos
(cu contoare)
| ||
-
|
rot
|
s
|
s
|
%
|
kWh
|
kvarh
|
-
|
-
|
Observatii:
pentru alegerea curentilor echilibrati pe durata manevrei se închide comutatorul K0;
reglarea în circuit a unui defazaj dorit se realizeaza cu ajutorul indicatiei ampermetrelor, astfel:
a) se alege curentul I la care se efectueaza masurarea;
b) se regleaza cu ajutorul reostatelor, pe fiecare faza, Icos;
c) se introduc bobinele si se regleaza, pe fiecare faza, valoarea fina la a curentului I.
prin masurarile efectuate se va pune în evidenta faptul ca montajul indirect se poate utiliza indiferent de tipul receptorului si de sistemul de curenti (echilibrat sau neechilibrat).
Se va determina valoarea instantanee a factorului de putere ceruta la pct.3.3 din indicatiile wattmetrelor si ale contoarelor.
Defectele care se vor simula în lucrare, la contorul TCA 32, sunt:
defect 1 -lipsa tensiunii la faza 2 de tensiune.
defect 2 -inversare intrare/iesire la faza 1 de curent;
Se vor compara erorile obtinute la masurarea energiei în aceste situatii cu cele indicate în anexa 16.1.
Se vor studia contoarele trifazate de energie activa si reactiva prevazute cu functii speciale: dublu tarif, indicator de putere maxima, cu generator de impulsuri. Se va determina rolul fiecaruia în tarifarea energiei la marii consumatori.
Se va studia functionarea unui sistem informatizat pentru masurarea si gestionarea puterilor si energiei electrice destinat unui numar de 30 de consumatori.
Sistemul primeste informatii de la contoarele cu generator de impulsuri încorporat si, pe baza unei interfete specializate si a unui sistem cu microprocesor, calculeaza puterea si energia consumata de fiecare receptor sau grupa de receptoare. În cadrul lucrarii se utilizeaza un singur contor TCA 32 cu generator de impulsuri, semnalele acestuia fiindd aduse la intrarile câtorva canale ale echipamentului EGOPEC 30.
Se va verifica daca puterea si energia pe fiecare canal este indicata în limitele exactitatii echipamentului. Se va verifica daca indicatiile echipamentului pe grupe de consumatori si în total, respecta însumarea matematica a consumurilor.
5. Întrebari recapitulative
5.1. Definiti erorile de raport si de unghi ale unui transformator de masurare. Explicati legatura acestora cu clasa de exactitate a transformatorului de masurare.
5.2. Explicati, teoretic, regimurile de functionare normale si de avarie ale transformatoarelor de masurare de curent si de tensiune. Indicati ce masuri de protectie se iau în montajul indirect.
5.3. Explicati influenta erorilor de unghi ale transformatoarelor de masurare asupra masurarii puterilor si energiilor electrice în montaj indirect.
5.4. Explicati influenta erorilor de montaj asupra înregistrarii corecte a energiei active cu contorul TCA 32.
5.5. Deduceti relatia ce permite calculul factorului de putere din indicatia contoarelor.
ANEXA 16.1
Analiza teoretica a defectelor de montaj pentru contoarele trifazate utilizate în montaj indirect
În cazul conectarii gresite a contorului TCA 32, el va integra o putere activa Pm diferita de cea reala P :
P = K.Pm (A. 16.1)
unde K este dat în tabelul A. 16.1, în functie de tipul defectului.
În fig. A.16.1 sunt prezentate cele doua diagrame fazoriale corespunzatoare celor doua defecte studiate (în figura A.16.1.a, diagrama corespunzatoare inversarii bornelor de curent ale contorului pe faza întâi, iar în figura A16.1.b, diagrama corespunzatoare întreruperii fazei a doua de tensiune).
a) b)
Fig. A.16.1 Diagramele fazoriale pentru
cele doua defecte studiate
Observatie.
· Pentru primul defect, se observa ca eroarea contorului este dependenta de unghiul de defazaj .(v. tabelul A. 16.1). De asemenea, în figura A 16.2 este reprezentata variatia erorii contorului în functie de valoarea defazajului.
Se observa astfel ca la defazaj nul contorul se opreste (eroare -100%), iar la defazaj = 60 grade, eroarea este nula.
· Pentru al doilea defect, se observa ca eroarea contorului este independenta de unghiul de defazaj (v. tabelul A. 16.1) si este de -50% (contorul indica jumatate din energia reala).

Fig. A.16.2 Eroarea contorului TCA 32 în cazul inversarii bornelor
bobinei de curent pe faza întâi
Tabelul A. 16.1
Nr.crt.
|
Defectul de montaj
|
Schema electrica
|
Puterea
Pmas
|
Coeficient de corectie
P=P/Pmas
|
Observatii
| ||
1.
|
Corect
| ![]() |
0
|
0
|
-
| ||
2.
|
Inversarea curentului
I1
| ![]() |
-
| ||||
3.
|
Inversarea curentului
I3
| ![]() |
-
| ||||
4.
|
Inversarea curentilor
I1 si I3
| ![]() |
0
|
-100
|
-
|
-
| |
5.
| ![]() |
-50
|
2
|
Independent de defazajul
| |||
6.
| ![]() |
-
| |||||
7.
| ![]() | ![]() |
-
| ||||
| Susrsa:http://www.scritub.com/tehnicamecanica/UTILIZAREATRANSFORMATOARELOR62421152.php | |||||||








Trimiteți un comentariu
Site-ul tau preferat!